アイコン ベースプレート
[基本定義入力]▶〔拘束・接合〕▶[ベースプレート]
ベースプレートを定義します。
アイコン  グリッドシート
アイコン  テキスト形式
アイコン  説明

アイコン グリッドシート

グリッドシート
①名称
15文字以内で入力します。
②k-DB
弊社製品共通のデータベースk-DBの柱脚工法データベースを参照する場合、[会社]、[製品]、[型番]を入力します。
③ベースプレート
寸法
ベースプレートの寸法を入力します。
板厚
ベースプレートの板厚を入力します。
リブプレート
[種別] 「0:なし」、「1:均等」、「2:隅」、「3:柱下」から選択します。
ただし、「2:隅」、「3:柱下」は、H形鋼柱では選択できません。
図 図 図 図
なし均等柱下
[長さ] リブプレートの平面上の長さを入力します。
[距離] [種別]が「2:隅」の場合に入力します。
図
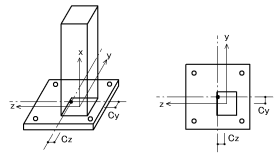
偏心距離
柱心に対するベースプレート心の偏心距離を、柱部材座標系で入力します。
図
④アンカーボルト
長さ
アンカーボルトの長さを入力します。
せん断破壊のチェックなどに使用します。
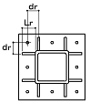
空き
柱部材座標z、y各方向ごとの縁空きを入力します。
図
配列
「0:通常」、「1:隅切り」から選択します。
H形鋼柱の内側にアンカーボルトがある場合、「0:通常」を選択します。
図 図
通常隅切り
本数
柱部材座標z、y各方向ごとのアンカーボルト本数を入力します。
図 図

 Nz=3
 Ny=2
 Nz=0
 Ny=1
  Nz=1
  Ny=1
⑤材質
ベースプレート下面コンクリート
【コンクリート材質】で定義した名称を入力します。
空欄の場合、【材質範囲】の名称を使用します。
ベースプレート
【鉄骨材質】で定義した名称を入力します。
空欄の場合、【材質範囲】の名称を使用します。
アンカーボルト
【アンカーボルト材質】で定義した名称を入力します。
空欄の場合、【材質範囲】の名称を使用します。
⑥アンカーボルト引抜
自動計算
アンカーボルトの引抜を自動計算するかを指定します。
一辺当りの引抜力
負担幅
負担幅までの距離
[自動計算]を「0:しない」にした場合、[一辺当りの引抜力]、[負担幅]、[負担幅までの距離]を入力します。
アンカーボルトの引抜力による面外曲げモーメントに対する検討において、アンカーボルトの引抜力による面外曲げモーメントは[一辺当りの引抜力]と[負担幅までの距離]、ベースプレートの面外許容曲げモーメントは[負担幅]から算出します。
図
⑦地震割増係数
S造柱脚の保有耐力接合用の地震応力に対する割増係数を入力します。

アイコン テキスト形式

項 目 省略値
名称
k-DB-会社 0
k-DB-製品
k-DB-型番
ベースプレート-寸法-Dz 0
ベースプレート-寸法-Dy 0
ベースプレート-板厚 0.0
ベースプレート-リブプレート-種別 0
ベースプレート-リブプレート-長さ 0.0
ベースプレート-リブプレート-距離 0.0
ベースプレート-偏心距離-Cz 0.0
ベースプレート-偏心距離-Cy 0.0
アンカーボルト-長さ 0.0
アンカーボルト-空き-Ez 0.0
アンカーボルト-空き-Ey 0.0
アンカーボルト-配列 0
アンカーボルト-本数-Nz 2
アンカーボルト-本数-Ny 2
材質-ベースプレート下面コンクリート
材質-ベースプレート
材質-アンカーボルト
アンカーボルト引抜-自動計算 1
アンカーボルト引抜-一辺当りの引抜力 0.0
アンカーボルト引抜-負担幅 0.0
アンカーボルト引抜-負担幅までの距離 0.0
地震割増係数-γz 2.0
地震割増係数-γy 2.0

アイコン 説明

  1. 構造形式が平面フレーム、平面格子ばり、立体フレームの場合、入力可能です。
  2. 入力補助ツール
    グリッドシートの行ラベルをダブルクリックすると、柱脚工法データの参照ダイアログが表示されます。
    図
    参照する柱脚工法データを指定し、[OK]ボタンをクリックすると、グリッドシートの各項目が更新されます。
    図

▲PAGETOP